TXC晶振,恒溫晶振,OB晶振,恒溫晶體振蕩器
頻率:10M~16.384MHZ
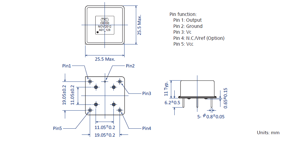
尺寸:25x25mm
恒溫晶體振蕩器低電壓啟動功率,并且有多種電壓供選擇,比如有1.8V,2.5V,3.3V,3.8V,5V等,產品被廣泛應用于,平板筆記本,GPS系統,光纖通道,千兆以太網,串行ATA,串行連接SCSI,PCI-Express的SDH / SONET發射基站等領域.符合RoHS/無鉛.
臺灣晶技TXC晶振公司為一專業之頻率組件與感測組件供貨商,自1983年成立以來,始終致力于石英晶體相關諧振器(Crystal)、振蕩器(Oscillator) 32.768K鐘表晶振,溫補晶振,石英晶體振蕩器等頻率組件之研發、設計、生產與銷售,并因應市場應用與需求,透過自主核心技術,成功開發出各式感測組件(Sensor),產品可廣泛使用于行動通訊、穿戴式裝置、物聯網、服務器儲存設備、車用、電信、醫療…等市場.
臺灣晶技TXC晶振多年來,我們始終以提升客戶價值為目標,是以無論在價格、質量、交期、服務等方面,均盡力盡心于超越客戶的期待,并以能成為客戶最佳的策略合作伙伴自我敦促.經過三十年的努力,臺灣晶技總公司而外,另設有如下之生產據點:臺北市、桃園市、寧波市、以及重慶市.
臺灣TXC晶體勞工職業安全衛生議題近年成為世界各國及企業關注焦如何做到‘降低職業災害發生、確保工作場所安全、實施員工健康管理’一直是TXC晶體努力的方向,公司于2008年12月通過OHSAS18001職業安全衛生管理系統驗證,提供勞工符合系統要求的安全衛生工作環境.
TXC晶振,恒溫晶振,OB晶振,恒溫晶體振蕩器低電壓啟動功率,并且有多種電壓供選擇,比如有1.8V,2.5V,3.3V,3.8V,5V等,產品被廣泛應用于,平板筆記本,GPS系統,光纖通道,千兆以太網,串行ATA,串行連接SCSI,PCI-Express的SDH / SONET發射基站等領域.符合RoHS/無鉛.
1、頻率大小
有源晶振頻率越高一般價格越高.但頻率越高,頻差越大,從綜合角度考慮,一般工程師會選用頻率低但穩定的晶振,自己做倍頻電路.總之石英晶振是根據需要去選擇合適的頻率,并不是晶振頻率越大就越好.要看具體需求.比如基站中一般用10MHz的恒溫晶振(OCXO),因其有很好的頻率穩定性,屬于高端晶振.至于范圍,晶振的頻率做的太高的話,就會失去意義,因為有其他更好的晶振頻率產品代替.產品頻率范圍是:25kHz-1.3G,基本上所有應用中的晶振都可以在產品中找到.
2.、石英晶振頻率穩定度:關鍵參數,我們的高端晶振可以達到10-9級別.
指在規定的工作溫度范圍內,與標稱頻率允許的偏差,用PPm(百萬分之一)表示.一般來說,晶振穩定度越高或溫度范圍越寬,價格越高.對于頻率穩定度要求±20ppm或以上的應用,可使用普通無補償的石英晶體振蕩器.對于介于±1 至±20ppm 的穩定度,應該考慮溫補晶振TCXO .對于低于±1ppm 的穩定度,應該考慮恒溫晶振OCXO.如果客戶有十分特別的頻穩要求,我們可根據客戶要求參數定做.
在使用TXC晶振時應注意
所有石英晶體振蕩器和實時時鐘模塊都以IC形式提供.
1.噪音
在電源或輸入端上施加執行級別(過高)的不相干(外部的)噪音,可能導致恒溫晶體振蕩器會引發功能失常或擊穿的閉門或雜散現象.
2.電源線路
電源的線路阻抗應盡可能低.TXC晶振,恒溫晶振,OB晶振,恒溫晶體振蕩器
3.輸出負載
建議將石英晶振輸出負載安裝在盡可能靠近振蕩器的地方(在20 mm范圍之間).
4.未用輸入終端的處理
未用針腳可能會引起噪聲響應,從而導致非正常工作.同時,當P通道和N通道都處于打開時,電源功率消耗也會增加;因此,請將未用輸入終端連接到VCC 或GND.
5.熱影響
重復的溫度巨大變化可能會降低受損害的石英晶振,OCXO晶體振蕩器產品特性,并導致塑料封裝里的線路擊穿.必須避免這種情況.
6.安裝方向
振蕩器的不正確安裝會導致故障以及崩潰,因此安裝時,請檢查安裝方向是否正確.
7.通電
不建議從中間電位和/或極快速通電,否則會導致無法產生振蕩和/或非正常工作.
深圳市億金電子有限公司 SHENZHEN YIJIN ELECTRONICS CO;LTD
聯系人黃娜:18924600166
工作QQ:857950243
貿易通:yijindz2014
座機:0755-27876565
郵箱:yijindz@163.com
微信:yijindz,公眾號:NDKcrystal
地址:廣東省深圳市寶安區107國道旁甲岸路
跟此產品相關的產品 / Related Products

- TXC晶振,OCXO恒溫晶振,OE晶振
小型SMD有源晶振,從最初超大體積到現在的7050mm,6035mm,5032mm,3225mm,2520mm,2016mm體積,有著翻天覆地的改變,體積的變小也試產品帶來了更高的穩定性能,接縫密封石英晶體振蕩器,精度高,覆蓋頻率范圍寬的特點,SMD高速自動安裝和高溫回流焊設計,Optionable待機輸出三態輸出功能,電源電壓范圍:1.8V~5 V,高穩定性,低抖動,低功耗,主要應用領域:無線通訊,高端智能手機,平板筆記本WLAN,藍牙,數碼相機,DSL和其他IT產品的晶振應用,三態功能,PC和LCDM等高端數碼領域,符合RoHS/無鉛.
晶振系列
日本進口晶振
- 京瓷晶振
- 精工晶振
- 西鐵城晶振
- 村田晶振
- 大河晶振
- KDS Quartz crystal
- NDK Quartz crystal
- EPSON Quartz crystal
- 富士晶振
- NAKA晶振
- SMI晶振
- NJR晶振
臺產晶振
歐美晶振
- CTS晶振
- 微晶晶振
- 瑞康晶振
- 康納溫菲爾德晶振
- 高利奇晶振
- Jauch晶振
- AbraconCrystal晶振
- 維管晶振
- ECScrystal晶振
- 日蝕晶振
- 拉隆晶振
- 格林雷晶振
- SiTimeCrystal晶振
- IDTcrystal晶振
- PletronicsCrystal晶振
- StatekCrystal晶振
- AEK晶振
- AEL晶振
- Cardinal晶振
- Crystek晶振
- Euroquartz晶振
- 福克斯晶振
- Frequency晶振
- GEYER晶振
- ILSI晶振
- KVG晶振
- MMDCOMP晶振
- MtronPTI晶振
- QANTEK晶振
- QuartzCom晶振
- QuartzChnik晶振
- SUNTSU晶振
- Transko晶振
- WI2WI晶振
- 韓國三呢晶振
- ITTI晶振
- ACT晶振
- Milliren晶振
- Lihom晶振
- rubyquartz晶振
- Oscilent晶振
- SHINSUNG晶振
- PDI晶振
- C-TECH晶振
- IQD晶振
- Microchip晶振
- Silicon晶振
- Fortiming晶振
- CORE晶振
- NIPPON晶振
- NIC晶振
- QVS晶振
- Bomar晶振
- Bliley晶振
- GED晶振
- FILTRONETICS晶振
- STD晶振
- Q-Tech晶振
- Anderson晶振
- Wenzel晶振
- NEL晶振
- EM晶振
- PETERMANN晶振
- FCD-Tech晶振
- HEC晶振
- FMI晶振
- Macrobizes晶振
- AXTAL晶振
- 瑞薩renesas晶振
- Skyworks晶振
有源晶振
霧化片
貼片晶振
32.768K
- 32.768K有源晶振
- 8.0x3.8晶振
- 7.1x3.3晶振
- 7.0x1.5晶振
- 5.0x1.8晶振
- 4.1x1.5晶振
- 3.2x1.5晶振
- 2.0x1.2晶振
- 1.6x1.0晶振
- 1.2x1.0晶振
- 圓柱晶振
聲表面濾波器
石英晶振
KDS晶振
愛普生晶振
- EPSON 32.768K晶振
- EPSON無源晶振
- EPSON普通有源晶振
- EPSON壓控晶振
- EPSON溫補晶振
- EPSON壓控溫補晶振
- EPSON恒溫晶振
- EPSON差分晶振
- EPSON可編程晶振

全球咨詢熱線
手機端





網址:

億金公眾號
億金微信號


