TAITIEN晶振,石英晶振,XD3215晶振
頻率:32.768KHZ
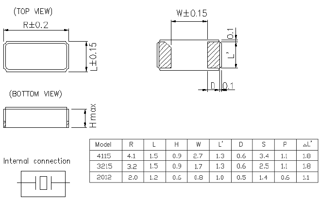
尺寸:3.2x1.5mm
泰藝電子立基臺灣,在美國與中國大陸均設有生產據點,營業與銷售據點包括臺灣臺北、美國、歐洲以及中國大陸等地,客戶使用石英水晶振蕩子,有源晶振,壓控振蕩器,貼片晶振遍及汽車產業、消費性電子、信息產業、通信產業與通信基礎產業.泰藝電子多年來致力于研發創新,部分核心技術是臺灣業界的領先者,近年來陸續取得石英相關制造技術專利;未來將持續加強開發,以成為全球石英晶振頻控元件領導者之目標邁進.
臺灣泰藝晶振成立于民國89年3月,前身為泰電電業股份有限公司電子部(民國65年設立),是一家專業晶振,石英晶振,有源晶振,壓控振蕩器頻率控制元件制造商.主要產品包括『石英振蕩子』、『石英振蕩器』、『壓控石英振蕩器』、『溫度補償石英振蕩器』,并且是臺灣唯一擁有生產『恒溫控制石英振蕩器』技術的制造商,完整的產品線提供一次性購足的服務.
泰藝晶振公司以嚴謹的質量管制系統獲得客戶對產品的信賴度,健全的供應鏈管理掌握原材物料的來源,滿足客戶對石英頻率元件的需求.
泰藝石英晶振公司主要產品:
廣泛用途石英晶體(Crystal)
小型化貼片石英晶體振蕩器(SMD XO)
壓控有源晶振(VCXO)
未來展望
銷售:發展自有品牌及策略性客戶、拓展全球化渠道.
產能:經濟化、規模化.
產品:高頻、高精度、輕、薄、短、小.
制程:標準化、自動化、信息化與彈性化.
供應鏈:交期短、庫存低.
TAITIEN晶振,石英晶振,XD3215晶振,我司主要代理日本進口石英晶體諧振器,愛普生晶振,KDS晶體,西鐵城晶振,精工晶體,日本進口的32.768KHz系列晶振產品多元化,外觀尺寸有多項選擇,并且支持無源以及有源晶振應用,有一個很棒的是幾個知名晶振品牌之間產品可以交替替換,比如愛普生的FC-135,西鐵城的CM315D,精工的SC320S,KDS的DST310S這四款的32.768K外觀尺寸3.2*1.5*0.75mm均是一致,產品頻率,精度,負載都可以達到相同,所以消費者在使用方面得到很到的保障,這幾款產品本身使用無鉛化,卷帶SMD包裝,產品一般應用在智能手機,控制模組,GPS導航模塊,小型藍牙對接產品等設備.
石英晶振高精度晶片的拋光技術:貼片晶振是目前晶片研磨技術中表面處理技術的最高技術,最終使晶振晶片表面更光潔,平行度及平面度更好,降低諧振電阻,提高Q值.從而達到一般研磨所達不到的產品性能,使石英晶振的等效電阻等更接近理論值,使晶振可在更低功耗下工作.使用先進的牛頓環及單色光的方法去檢測晶片表面的狀態.
|
泰藝晶振規格 |
單位 |
XD3215晶振頻率范圍 |
石英晶振基本條件 |
|
標準頻率 |
f_nom |
32.768KHZ |
標準頻率 |
|
儲存溫度 |
T_stg |
-40°C ~ +125°C |
裸存 |
|
工作溫度 |
T_use |
-40°C ~ +85°C |
標準溫度 |
|
激勵功率 |
DL |
200μW Max. |
推薦:1μW ~ 100μW |
|
頻率公差 |
f_— l |
±50 × 10-6 (標準), |
+25°C 對于超出標準的規格說明, |
|
頻率溫度特征 |
f_tem |
±30 × 10-6/-20°C ~ +70°C |
超出標準的規格請聯系我們. |
|
負載電容 |
CL |
6pF,7pF,9pF,12.5pF |
超出標準說明,請聯系我們. |
|
串聯電阻(ESR) |
R1 |
如下表所示 |
-40°C — +85°C, DL = 100μW |
|
頻率老化 |
f_age |
±5 × 10-6 / year Max. |
+25°C,第一年 |
在使用泰藝晶振時應注意以下事項:
所有石英晶體振蕩器和實時時鐘模塊都以IC形式提供.
噪音
在電源或輸入端上施加執行級別(過高)的不相干(外部的)噪音,可能導致會引發功能失常或擊穿的閉門或雜散現象.
電源線路
電源的線路阻抗應盡可能低.TAITIEN晶振,石英晶振,XD3215晶振
輸出負載
建議將石英晶振輸出負載安裝在盡可能靠近振蕩器的地方(在20 mm范圍之間).
未用輸入終端的處理
未用針腳可能會引起噪聲響應,從而導致非正常工作.同時,當P通道和N通道都處于打開時,電源功率消耗也會增加;因此,請將未用輸入終端連接到VCC 或GND.
熱影響
重復的溫度巨大變化可能會降低受損害的石英晶振產品特性,并導致塑料封裝里的線路擊穿.必須避免這種情況.
安裝方向
振蕩器的不正確安裝會導致故障以及崩潰,因此安裝時,請檢查安裝方向是否正確.
通電
不建議從中間電位和/或極快速通電,否則會導致無法產生振蕩和/或非正常工作.
深圳市億金電子有限公司 SHENZHEN YIJIN ELECTRONICS CO;LTD
聯系人黃娜:18924600166
工作QQ:857950243
貿易通:yijindz2014
座機:0755-27876565
郵箱:yijindz@163.com
微信:yijindz,公眾號:NDKcrystal
地址:廣東省深圳市寶安區107國道旁甲岸路
跟此產品相關的產品 / Related Products

- 臺灣晶技晶振,32.768K晶振,AH晶振
- 我司主要代理日本進口石英晶體諧振器,愛普生晶振,KDS晶體,西鐵城晶振,精工晶體,日本進口的32.768KHz系列晶振產品多元化,外觀尺寸有多項選擇,并且支持無源以及有源晶振應用,有一個很棒的是幾個知名晶振品牌之間產品可以交替替換,比如愛普生的FC-135,西鐵城的CM315D,精工的SC-32S,KDS的DST310S這四款的32.768K外觀尺寸3.2*1.5*0.75mm均是一致,產品頻率,精度,負載都可以達到相同,所以消費者在使用方面得到很到的保障,這幾款產品本身使用無鉛化,卷帶SMD包裝,產品一般應用在智能手機,控制模組,GPS導航模塊,小型藍牙對接產品等設備.

- 德國Jauch晶振,32.768K晶振,JTX310晶振
- 我司主要代理日本進口石英晶體諧振器,愛普生晶振,KDS晶體,西鐵城晶振,精工晶體,日本進口的32.768KHz系列晶振產品多元化,外觀尺寸有多項選擇,并且支持無源以及有源晶振應用,有一個很棒的是幾個知名晶振品牌之間產品可以交替替換,比如愛普生的FC-135,西鐵城的CM315D,精工的SC-32S,KDS的DST310S這四款的32.768K外觀尺寸3.2*1.5*0.75mm均是一致,產品頻率,精度,負載都可以達到相同,所以消費者在使用方面得到很到的保障,這幾款產品本身使用無鉛化,卷帶SMD包裝,產品一般應用在智能手機,控制模組,GPS導航模塊,小型藍牙對接產品等設備.

- 西迪斯晶振,貼片晶振,TF32晶振,TF322P32K7680R晶振,TFA32晶振,TFE32晶振
- 32.768KHZ系列,在當今全球晶振市場說的上是質優價廉,產品本身外觀是多種化,體積有大有小,有二個腳SMD焊接模式,也有三個腳SMD焊接模式,一樣有四個腳焊接模式,還有時鐘模塊焊接模式,產品具有無源32.768KHZ,也有帶電壓模式的32.768KHZ晶體系列,產品應用范圍非常廣闊,比如多種電子消費類,手機應用,藍牙多功能播放器,無線通訊產品,平板電腦等多個領域,因32.768KHZ晶體本身外觀款式多元化,所以適合多個產品應用.并且滿足歐盟ROHS環保要求,晶體本身有重量輕,體積小,超薄型等多種優勢,得到市場認可.
晶振系列
日本進口晶振
- 京瓷晶振
- 精工晶振
- 西鐵城晶振
- 村田晶振
- 大河晶振
- KDS Quartz crystal
- NDK Quartz crystal
- EPSON Quartz crystal
- 富士晶振
- NAKA晶振
- SMI晶振
- NJR晶振
臺產晶振
歐美晶振
- CTS晶振
- 微晶晶振
- 瑞康晶振
- 康納溫菲爾德晶振
- 高利奇晶振
- Jauch晶振
- AbraconCrystal晶振
- 維管晶振
- ECScrystal晶振
- 日蝕晶振
- 拉隆晶振
- 格林雷晶振
- SiTimeCrystal晶振
- IDTcrystal晶振
- PletronicsCrystal晶振
- StatekCrystal晶振
- AEK晶振
- AEL晶振
- Cardinal晶振
- Crystek晶振
- Euroquartz晶振
- 福克斯晶振
- Frequency晶振
- GEYER晶振
- ILSI晶振
- KVG晶振
- MMDCOMP晶振
- MtronPTI晶振
- QANTEK晶振
- QuartzCom晶振
- QuartzChnik晶振
- SUNTSU晶振
- Transko晶振
- WI2WI晶振
- 韓國三呢晶振
- ITTI晶振
- ACT晶振
- Milliren晶振
- Lihom晶振
- rubyquartz晶振
- Oscilent晶振
- SHINSUNG晶振
- PDI晶振
- C-TECH晶振
- IQD晶振
- Microchip晶振
- Silicon晶振
- Fortiming晶振
- CORE晶振
- NIPPON晶振
- NIC晶振
- QVS晶振
- Bomar晶振
- Bliley晶振
- GED晶振
- FILTRONETICS晶振
- STD晶振
- Q-Tech晶振
- Anderson晶振
- Wenzel晶振
- NEL晶振
- EM晶振
- PETERMANN晶振
- FCD-Tech晶振
- HEC晶振
- FMI晶振
- Macrobizes晶振
- AXTAL晶振
- 瑞薩renesas晶振
- Skyworks晶振
有源晶振
霧化片
貼片晶振
32.768K
- 32.768K有源晶振
- 8.0x3.8晶振
- 7.1x3.3晶振
- 7.0x1.5晶振
- 5.0x1.8晶振
- 4.1x1.5晶振
- 3.2x1.5晶振
- 2.0x1.2晶振
- 1.6x1.0晶振
- 1.2x1.0晶振
- 圓柱晶振
聲表面濾波器
石英晶振
KDS晶振
愛普生晶振
- EPSON 32.768K晶振
- EPSON無源晶振
- EPSON普通有源晶振
- EPSON壓控晶振
- EPSON溫補晶振
- EPSON壓控溫補晶振
- EPSON恒溫晶振
- EPSON差分晶振
- EPSON可編程晶振

全球咨詢熱線
手機端





網址:

億金公眾號
億金微信號


